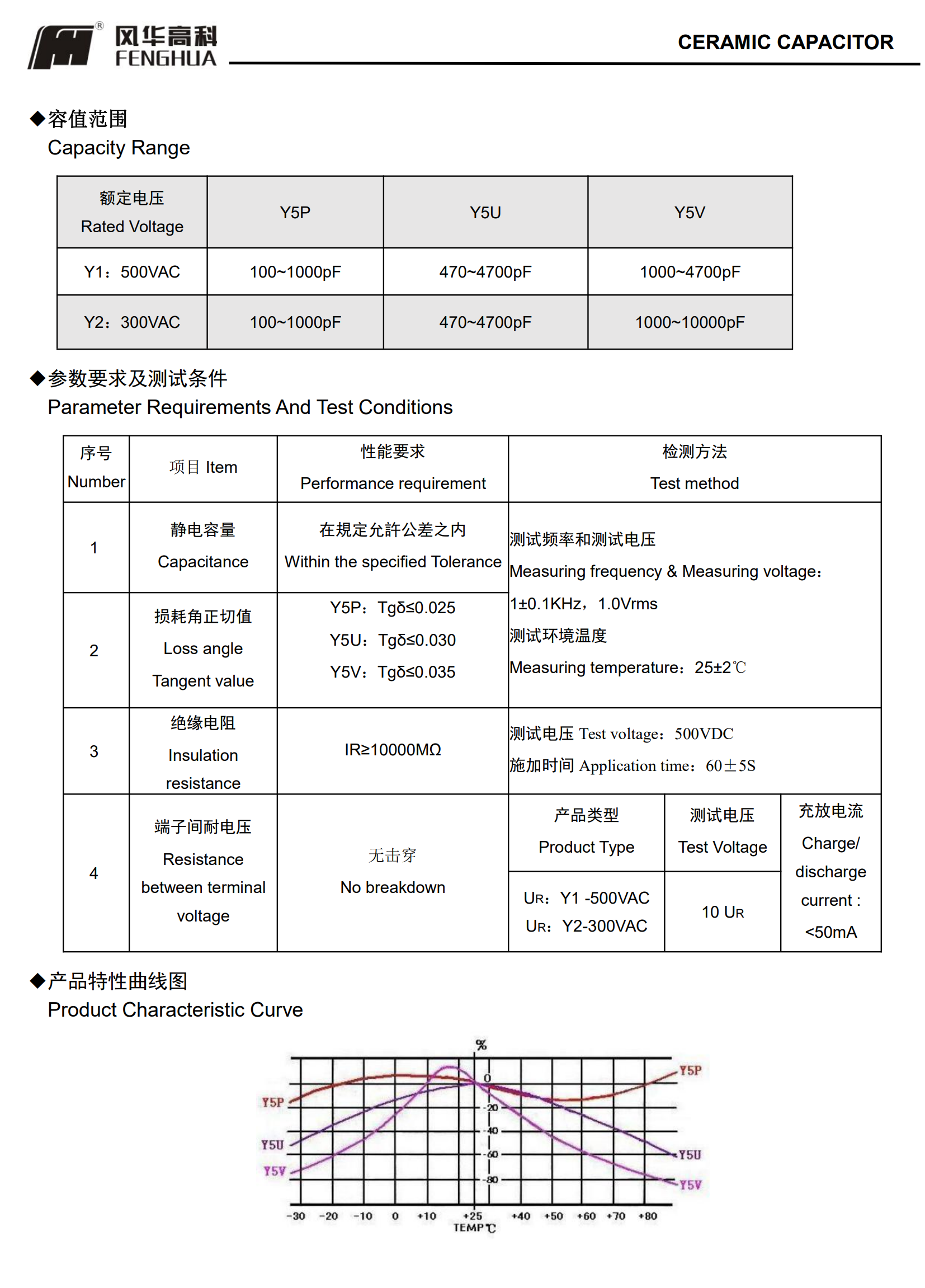
■CT7 系列安规瓷介电容器--车规品

◆特征
* 符合 GB/T 6346.14-2015/IEC 60384.14-2005 及 AEC-Q200 REV D 认证标准。
* 优异的耐振动性能,满足标准 MIL-STD-202 Method 204、AEC-Q200。
* 优异的快速温变性能,满足 JESD22 Method JA-104、AEC-Q200。
◆应用
* 适于在电子设备中作为跨电源线连接、天线耦合、旁路、滤波等。





东莞市超翔电子有限公司
地址:广东省东莞市长安镇上沙北横街8号
联系人:何先生
电话:0769-85325266
手机:13712101206
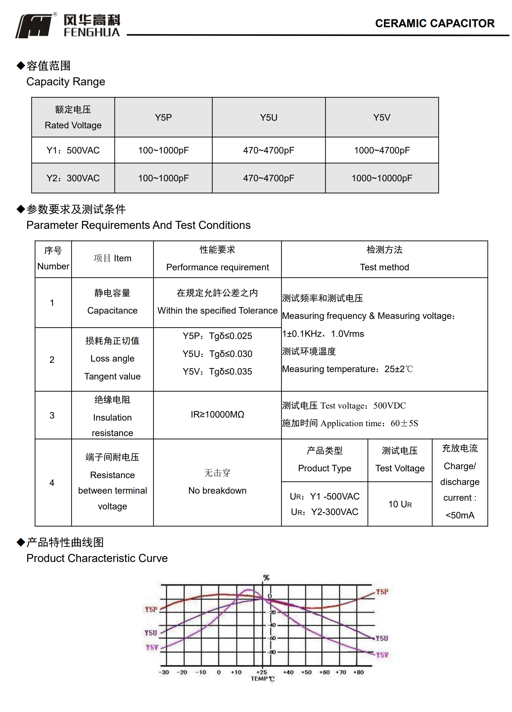
■CT7 系列安规瓷介电容器--车规品◆特征* 符合 GB/T 6346.14-2015/IEC 60384.14-2005 及 AEC-Q200 REV D 认证标准。* 优异的耐振动性能,满足标准 MIL-STD-202 Method 204、AEC-Q200。* 优异的快速温变性能,满足 JESD22 Method JA-104、AEC-Q200。◆应用* 适于在电子设备中作为跨电源线连接、天线耦合、旁路、滤波等。
■CT7 系列安规瓷介电容器--车规品

◆特征
* 符合 GB/T 6346.14-2015/IEC 60384.14-2005 及 AEC-Q200 REV D 认证标准。
* 优异的耐振动性能,满足标准 MIL-STD-202 Method 204、AEC-Q200。
* 优异的快速温变性能,满足 JESD22 Method JA-104、AEC-Q200。
◆应用
* 适于在电子设备中作为跨电源线连接、天线耦合、旁路、滤波等。




