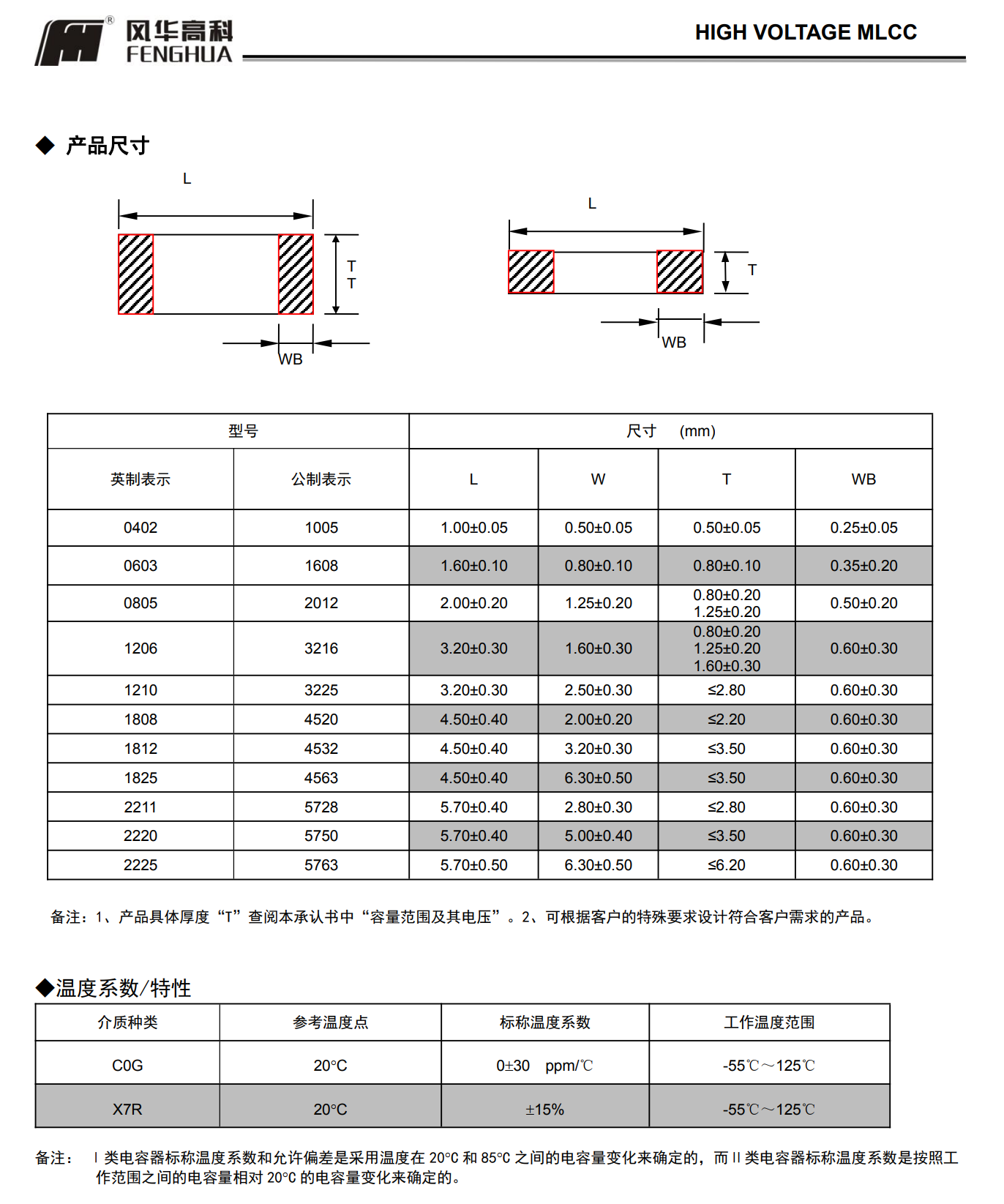
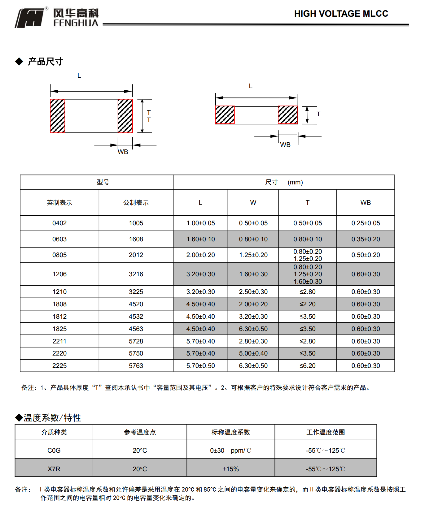
■中高压系列片式陶瓷电容器

◆特征
* 中高压多层片状陶瓷电容器是在多层片状陶瓷电容器的工艺技术、设备基础上,通过采用特殊设计制作出来的一种具有良好高压可靠性的产品,该产品适合于表面贴装,适合于多种直流高压线路,可以有效的改善电子线路的性能。
* 叠层独石结构,具有高可靠性能
* 具有优良的焊接与耐焊性能,适用于回流焊接与波峰焊接
* 具有较高的容量且容量性能稳定
* 执行标准:GB/T 21041-2007 GB/T 21042-2007
◆应用
* 模拟或数字调制解调器
* 局域网/广域网接口界面
* 日光灯启动辉器照明电路
* 倍压电器
* 直流变送器
* 背光源驱动电路






